0

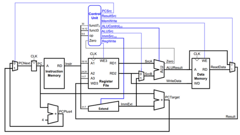
RISC-V Core

Single-cycle RV32I core built in SystemVerilog and tested with assembly programs.

RISC-V Core

RISC-V Diagram

Overview

Implemented a single-cycle RV32I hardware thread (hart) in SystemVerilog.

Details

  • Verified functionality using Assembly test programs

Tools

SystemVerilog, Digital Hardware Design, Computer Architecture